作者:Sai Chaithanya Kaipa,产品营销
Ye Fan,产品应用
摘要
当今的电子器件,尤其是高性能处理器和FPGA,对电力的需求不断攀升。在此背景下,电源管理解决方案必须不断进化,以提供更高的电流并确保设计灵活性。本文探讨了如何将多通道电源管理集成电路(PMIC)用作单通道大电流电源。并联多个稳压输出可以提升总电流能力,同时保持严格的电压调节和热平衡。这种技术不仅简化了电源架构,而且增强了设计复用,减少了电路板空间,并改善了数字信号处理器、处理器、FPGA和微控制器等复杂电子器件中的热分布。
引言
在现代电子系统设计中,电源管理集成电路(PMIC)因其能为复杂电源架构带来设计灵活性而越来越受到重视。传统电源解决方案主要关注效率和电压调节,而PMIC则更进一步,将多个电源轨、时序控制逻辑、故障保护和遥测功能集成于一个紧凑的器件中。多通道PMIC通常用于管理多个电源输出,每个通道为系统的特定部分提供稳定的电压。这些器件还可以配置为多相模式,方法是组合多个通道来供应单个大电流轨,从而有效取代单通道大电流调节器。此方法涉及并联多个通道,以确保各个通道均等分担负载,防止任何单一通道过载。这种灵活性在需要大电流传输,同时保持效率和可靠性的应用中特别有用。此类PMIC通常用于数字信号处理器、处理器、FPGA和微控制器等复杂器件中,其中多个子系统需要不同的功率水平。
为了满足不同应用的大电流需求,LT7200S采用薄型5 mm × 6 mm、48引脚LQFN封装,ADP5055和ADP5056采用5.00 mm × 5.50 mm LGA封装,而且全都具有并联能力以实现大电流供电。
典型应用
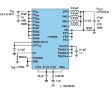
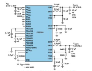
随着数据速度的提升和工作负载的增长,FPGA和SoC不断演进,以满足不断上升的速度和容量需求。电源也必须随之发展,在提供更大电流的同时,实现更高的功率密度。此外,简便性和可靠性同样重要。对于需要15 A以上电流的系统,可以并联多个LT7200S稳压器并错相运行,确保功率输送高效稳定。图1和图2展示了LT7200S的典型应用原理图,它支持双相和四相操作,通过并联为负载提供更高的输出电流。这款器件采用四相架构,四个内部同步降压型稳压器通道能够高效并联。每个通道能够输出或吸收±5 A的电流。当四相并联时,合计可向公共输出端提供高达±20 A的电流。而这是通过精密电流模式控制实现的,它能确保所有通道间精确均流,从而提升热平衡和系统可靠性。

图1.四相并联,用作20 A单输出PMIC

图2.双相并联,用作10 A/10 A双输出PMIC
这款器件通过PHMODE引脚支持相位交错,允许每个通道与其他通道错相运行,从而显著减少输入和输出纹波。此外,MODE/SYNC引脚支持与外部时钟同步,从而实现协调切换,并尽可能减少敏感应用中的噪声。
工作频率可通过外部电阻设置在400 kHz至3 MHz范围内。用于对开关噪声敏感的应用时,工作频率支持外部同步。独特的“可锁相、受控导通时间、恒定频率、电流模式”架构非常适合要求快速瞬态响应的高频、高降压应用。
LT7200S采用Silent Switcher® 2技术,凭借创新的设计和封装工艺,能够在实现高效率的同时降低电磁干扰(EMI)。得益于这项独特技术,这些稳压器对PCB布局变化的敏感度大幅降低,不仅简化了设计流程,还显著提升了整体性能表现。
LT7200S性能图
图3显示了四相LT7200S解决方案的效率。四相配置与图1所示配置类似,开关频率为1 MHz,电压从12 V降至1.2 V。它可提供高达20 A的连续负载电流。PHMODE引脚接GND,导致每个通道发生90°相移。这种交错操作能够减少输入电流纹波,使热负荷在整个电路板上均匀分布,降低对输入和输出电容的要求,尽可能减少EMI,并提高系统整体稳定性。为确保在稳态和启动期间更好地均流,应将ITH、FB和TRACK/SS连接在一起。
这款器件在12 V输入下实现了88%的峰值效率,并在20 A满负载电流下保持86%的效率。图4显示了LT7200S在12 V降至1.2 V/20 A条件下工作的热图像,表明它在四相操作期间实现了良好的均流。

图3.LT7200S四相效率,12 V降至1.2 V,1 MHz

图4.LT7200S热图像:12 V降至1.2 V,20 A,1 MHz,无气流,TA = 25°C
类似地,ADP5055和ADP5056在一个43引脚LGA封装中集成了三个高性能降压型稳压器,可满足严苛的性能和电路板空间要求。
这些器件可直接连接高达18 V的输入电压,无需使用前置调节器。所有通道均同时集成高边和低边功率MOSFET,以优化解决方案的效率。通道1和2提供3.5 A或7 A的可编程输出电流,或在并联工作模式下提供高达14 A的单路输出电流。通道3提供1.5 A或3 A的可编程输出电流。
ADP5055集成了高精度8位数模转换器(DAC),可通过兼容PMBus®的双线接口,实现输出电压动态调节(DVS)。PMBus接口提供了其他灵活配置,例如启动和关断时序控制、单独的强制脉宽调制(FPWM)或省电模式(PSM)选择、输出放电开关和电源良好信号。这些器件的额定结温范围是-40°C至+150°C。
结语
ADP5056、ADP5055和LT7200S等大电流PMIC更适合需要高效、灵活、可靠电源管理的应用,具备高性能、灵活性和高集成度,是电信、数据中心和工业自动化等复杂系统的理想选择。并联特性支持多个器件协同工作,从而提升电流能力和可靠性,对于需要可扩展且稳健电源解决方案的客户至关重要。
573